หน้าแรก
สินค้าทั้งหมด
วิธีการสั่งซื้อสินค้า
แจ้งชำระเงิน
บทความ
เกี่ยวกับเรา
ติดต่อเรา
หน้าแรก
>
บทความ
>
2. รายละเอียดในแบบเรือ "จ…
2. รายละเอียดในแบบเรือ "จำลอง"
3 ปีที่ผ่านมา
โดย
เจ้าของร้าน
20 พ.ย. 2564 21.15 น.
2.
รายละเอียดในแบบเรือ "จำลอง" : ในรายการนี้ก็สำคัญมาก ใน
แบบเรือ ไม่ว่าจะจริง หรือ จำลอง จะมีรายละเอียดเหมือนกัน ต่างกันที่
ขนาด และวัสดุที่จะกำหนดลงไปในแบบนั้นๆ
มาดูแบบเรือจริงกันก่อนครับ
ภาพด้านบนเป็นแบบ GA เรือโดยสาร ดัดแปลงมาจากเรือประมงครับ
ทำตั้งแต่ปี ค.ศ. 2015 แต่ก็ไม่ได้ไปต่อครับ
ภาพด้านบนเป็น GA เรือยอร์ช หลายปีแล้วครับ
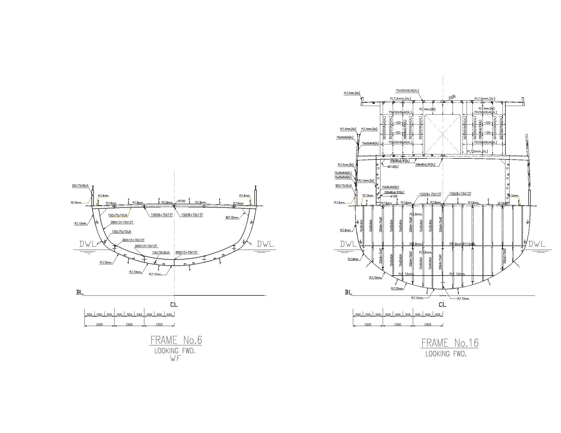
สี่ภาพด้านบน ก็คือแบบโครงสร้างบางส่วนของเรือยอร์ชครับ จะเห็น
ว่ามีรายละเอียดเยอะมาก ทุกเส้น ต้องมีตัวอักษรบอกว่าคืออะไร ขนาดเท่า
ไร จากไหนถึงไหน ฯลฯ
สามภาพด้านบนคือแบบ Fitting บางส่วนครับ ก็มี พุกผูกเชือกเรือ
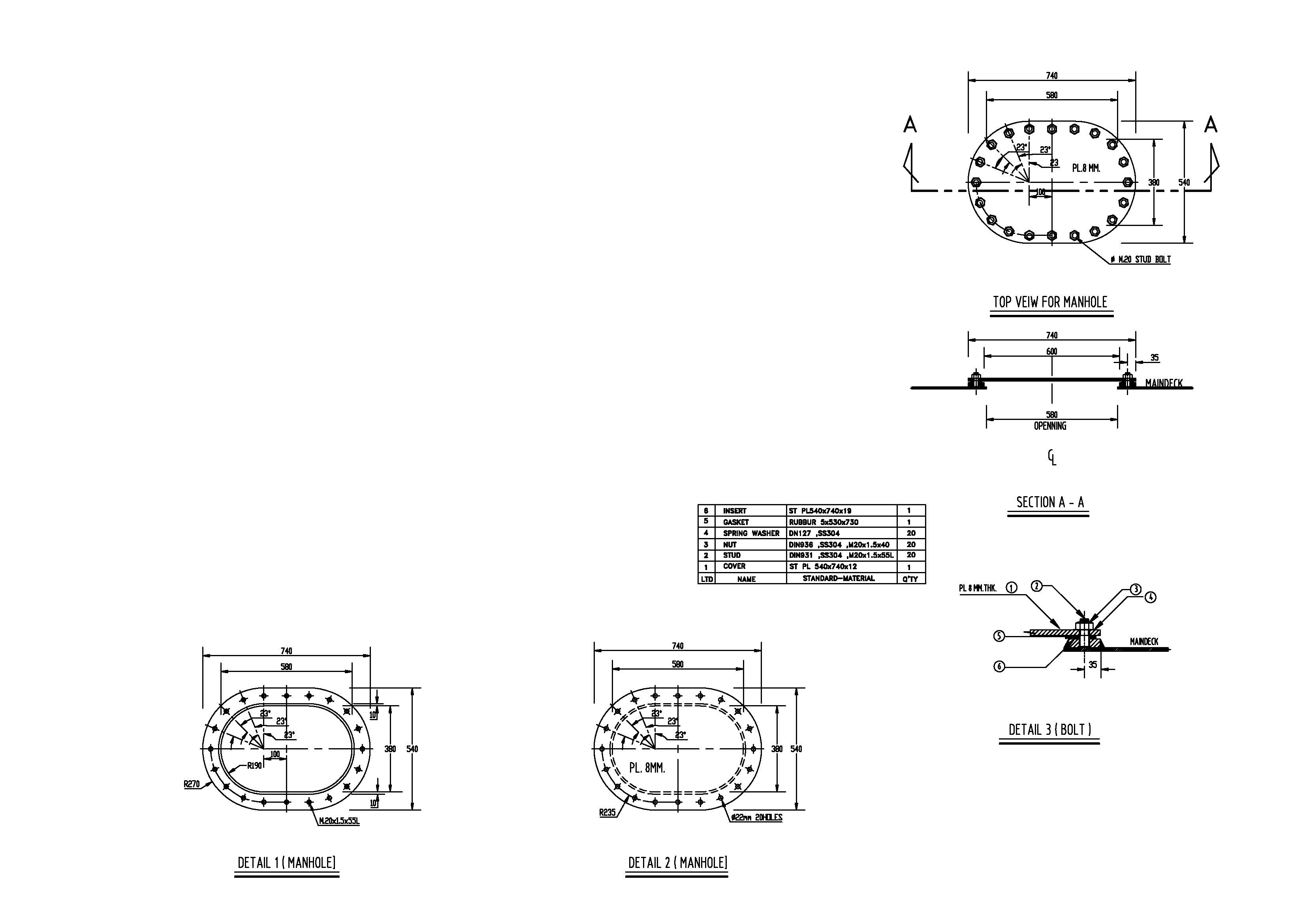
ภาพบน ภาพกลางก็คือแบบของ Manhold หรือที่ช่างไทยเรียกกันติด
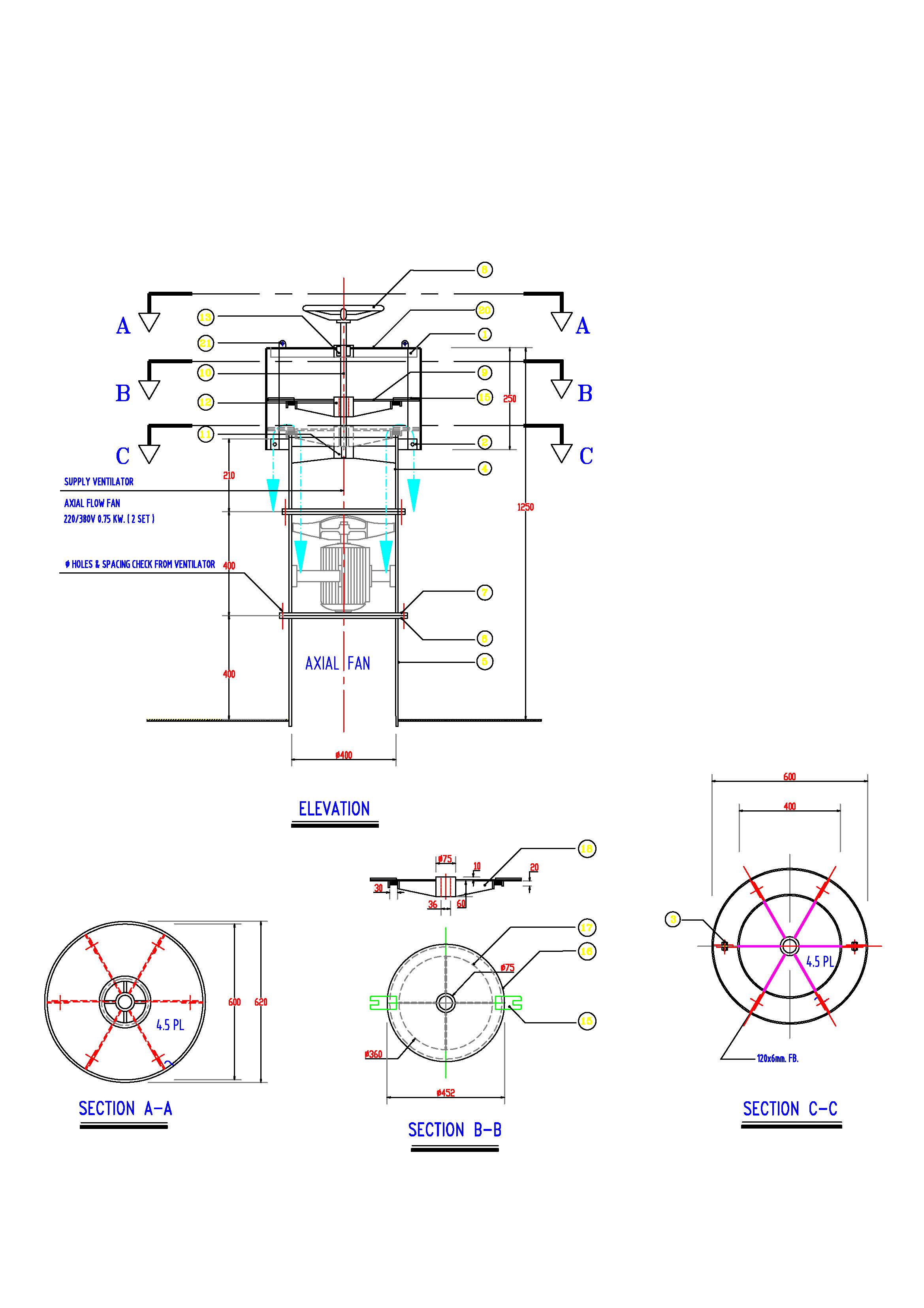
ปากว่า ฝาหอย ......ภาพล่างสุด ก็เป็นแบบของ ตัวพัดลมระบายอากาศครับ
Share
Share :
COPY
ARTICLE
เรือเล็ก 5 เมตร
7 เดือนที่ผ่านมา
17 มีนาคม 2568 1:52 น. สวัสดีครับทุกท่าน มีคลิปมาฝากครับ ราตรีสวัสดิครับทุกท่าน ขอให้สนุกในการต่อเรือและโมเดลกันมากๆครับ..................................................................................................... 26 มีนาคม 2568 4:23 น. สวัสด…
เรือ คายัค
7 เดือนที่ผ่านมา
15 มีนาคม 2568 0:23 น. สวัสดีครับทุกท่าน มีรูปมาอวดครับ หาเรื่องมาเล่าไม่ได้ก็ใช้รูปมาแก้ขัดไปก่อนละกันครับ ตัดแยกออกเป็นสี่ท่อนเพื่อสดวกในการขนย้ายครับ ลำนี้เป็นเรือ คายัค เอาหน้าตามาจาก Where House 3D ครับ หาใน google ได้ เขาให้มาเป็น 3D ในไฟล์ของ …
ทิ้งขยะลงแม่น้ำเจ้าพระยา
7 เดือนที่ผ่านมา
1 มีนาคม 2568 0:23 น. สวัสดีครับทุกท่าน ผ่านไปเจ็ดวันทุกอย่างยังคงเงียบอยู่เช่นเดิม แบบก็ยังอยู่ครบ ไม่มีใครติดต่อมารับไป ท่านใดมีประสงค์ก็ติดต่อมาได้ครับ สังคมของคนเล่นเรือในบ้านเรา เท่าที่ผมสังเกตุมาหลายปี ถ้าจะแบ่งประเภทของเรือจะมีหลากหลายมากจริงๆ…
วิธีแจกแบบเรือ ฟรี
7 เดือนที่ผ่านมา
20 กุมภาพันธ์ 2568 12:34 น. สวัสดีครับทุกท่าน หายไปสิบกว่าวัน เพราะมีงานด่วนงานเผาเข้ามา เสร็จแล้วก็ส่งไป ควันยังฟุ้งอยู่เลยครับ 555555555 ผมคิดออกละ ว่าจะแจกแบบยังไง คืองี้ ใครอยากได้ให้โทรเข้ามา หรือติดต่อ ไลน์มาก็ได้ แล้วนัดวันมารับไปเลยครับ สถานท…
หนึ่งในแบบเรือที่จะแจก
7 เดือนที่ผ่านมา
6 กุมภาพันธ์ 2568 3:11 น. สวัสดีครับทุกท่าน มาเร็วกว่าเมื่อวานหน่อยนึง วันนี้มีตัวอย่าฃแบบที่จะแจกมาลงให้ดูกันครับ เนื่องจากงปจำกัดทำได้แค่สองแผ่น เป็นการสแกนแบบ ขนาดกระดาษ a0 ได้มาสองแผ่นที่สำคัญครับ มาดูกัน แบบข้างบนนี้้เป็นแบบ GA ของเรือขนส่งพนักง…
อ่านทั้งหมด
>>
SEARCH
ค้นหา
ค้นหาโดยละเอียด
ดูทั้งหมด
CATEGORY
สินค้าทั้งหมด
[0]
สินค้ามาใหม่
[0]
สินค้าแนะนำ
[0]
หมวดหมู่ตัวอย่าง
[2]
NEW PRODUCTS
ดูสินค้ามาใหม่ทั้งหมด
MEMBER
คุณเป็นตัวแทนจำหน่าย
ระดับ{{userdata.dropship_level_name}}
ไปหน้าหลักตัวแทน
ระดับสมาชิกของคุณ ที่ร้านค้านี้
รายการสั่งซื้อของฉัน
ทั้งหมด {{(order_nums && order_nums.all)?'('+order_nums.all+')':''}}
รอการชำระเงิน {{(order_nums && order_nums.wait_payment)?'('+order_nums.wait_payment+')':''}}
รอตรวจสอบยอดเงิน {{(order_nums && order_nums.wait_payment_verify)?'('+order_nums.wait_payment_verify+')':''}}
รอจัดส่งสินค้า {{(order_nums && order_nums.wait_send)?'('+order_nums.wait_send+')':''}}
รอยืนยันได้รับสินค้า {{(order_nums && (order_nums.wait_receive || order_nums.wait_confirm))?'('+(order_nums.wait_receive+order_nums.wait_confirm)+')':''}}
รอตรวจสอบข้อร้องเรียน {{(order_nums && order_nums.dispute)?'('+order_nums.dispute+')':''}}
เรียบร้อยแล้ว {{(order_nums && order_nums.completed)?'('+order_nums.completed+')':''}}
ทั้งหมด {{(order_nums && order_nums.all)?'('+order_nums.all+')':''}}
รอการชำระเงิน {{(order_nums && order_nums.wait_payment)?'('+order_nums.wait_payment+')':''}}
รอตรวจสอบยอดเงิน{{(order_nums && order_nums.wait_payment_verify)?'('+order_nums.wait_payment_verify+')':''}}
รอจัดส่งสินค้า {{(order_nums && order_nums.wait_send)?'('+order_nums.wait_send+')':''}}
ส่งสินค้าเรียบร้อยแล้ว {{(order_nums && order_nums.sent)?'('+order_nums.sent+')':''}}
logout
เข้าสู่ระบบด้วย
เข้าสู่ระบบ
สมัครสมาชิก
ยังไม่มีบัญชีเทพ
สร้างบัญชีใหม่
ไม่มีค่าใช้จ่าย
สมัครสมาชิก (ฟรี)
STATISTICS
หน้าที่เข้าชม
95,014 ครั้ง
ผู้ชมทั้งหมด
77,835 ครั้ง
เปิดร้าน
24 พ.ค. 2561
ร้านค้าอัพเดท
25 ต.ค. 2568
CONTACT US
0879262908
r_pinsuwan@hotmail.com
f35efg
TRACK&TRACE
ตรวจสอบพัสดุ
LINK
กรมเจ้าท่า
NAVIS
หน้าแรก
|
วิธีการสั่งซื้อสินค้า
|
แจ้งชำระเงิน
|
บทความ
|
เกี่ยวกับเรา
|
ติดต่อเรา
|
ตะกร้าสินค้า
|
Site Map
Copyright © 2025
vinmodel.lnwshop.com
All rights reserved.
ตะกร้า
(
0
)
▲
▼
รายการสั่งซื้อของฉัน
เข้าสู่ระบบด้วย
เข้าสู่ระบบ
สมัครสมาชิก
ยังไม่มีบัญชีเทพ
สร้างบัญชีใหม่
ไม่มีค่าใช้จ่าย
สมัครสมาชิก (ฟรี)
รายการสั่งซื้อของฉัน
ข้อมูลร้านค้านี้
VIN MODEL
จำหน่าย เรือโมเดล,สอน ออกแบบ เขียนแบบเรือโมเดล กรุงเทพมหานคร โทรศัพท์ 0879262908
เบอร์โทร :
0879262908
อีเมล :
r_pinsuwan@hotmail.com
ส่งข้อความติดต่อร้าน
เกี่ยวกับร้านค้านี้
ค้นหาสินค้าในร้านนี้
ค้นหา
หรือค้นหาอย่างละเอียด
ค้นหาสินค้า
สินค้าที่ดูล่าสุด
{{pdata.name}}
ดูสินค้าทั้งหมดในร้าน
สินค้าที่ดูล่าสุด
บันทึกเป็นร้านโปรด
Join เป็นสมาชิกร้าน
แชร์หน้านี้
แชร์หน้านี้
↑
TOP
เลื่อนขึ้นบนสุด
คุณมีสินค้า
0
ชิ้นในตะกร้า
สั่งซื้อทันที
สินค้าในตะกร้า ({{total_num}} รายการ)
ขออภัย ขณะนี้ยังไม่มีสินค้าในตะกร้า
ราคาสินค้าทั้งหมด
฿ {{price_format(total_price)}}
- ฿ {{price_format(discount.price)}}
ราคาสินค้าทั้งหมด
{{total_quantity}} ชิ้น
฿ {{price_format(after_product_price)}}
ราคาไม่รวมค่าจัดส่ง
ดูสินค้าในตะกร้า
เริ่มการสั่งซื้อ
➜
เลือกซื้อสินค้าเพิ่ม
พูดคุย-สอบถาม
อีเมล r_pinsuwan@hotmail.com
โทร 0879262908
Add f35efg