20 กันยายน 2566 3:26 น. สวัสดีครับทุกท่าน ตอนนี้ไม่สนแล้วครับเวลานอน ง่วงตอนไหนก็นอนตอนนั้น ยังไม่ง่วงก็ยังไม่นอนแค่นั้นเอง วันนี้จะพาลงไปในแบบเรือ มาดูกันอีกสักระบบหนึ่งที่เป็นหัวใจเลยก็ว่าได้ นั่นคือ ระบบไฟฟ้า ของเรือครับ ในเรือ ระบบไฟฟ้าจะต่างจากในอาคารอยู่บ้างแต่ก็อยู่บนพื้นฐานการคำนวนเดียวกัน ในแต่ละประเทศก็จะแตกต่างกัน ประเทศไหนใช้ AC 220 V ในเรือส่วนใหญ่ที่ใช้กับเครื่องใช้ไฟฟ้าก็จะใช้ไฟ AC 220 V เหมือนกัน เพื่อสะดวกเวลาไปเที่ยบท่าก็จะได้ใช้ไฟฟ้าที่ต่อมาจากบนบกได้ ส่วนเรือเล็กๆก็จะไม่ค่อยมีปัญหานี้เท่าไร เพราะส่วนใหญ่จะใช้ไฟฟ้า DC 12-24 V เพื่อสตาทร์เครื่องยนต์ และใช้ในอุปกรณ์นำร่องต่างๆ เช่น เรด้า ,ซาวเดอร์ ,กว้านสมอขนาดเล็ก ฯ
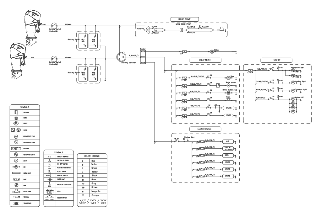
ข้างบนนี้คือแบบ ONE LINE DIAGRAM ของเรือสปีดโบท อู่ต่อเรือก็จะใช้แบบนี้ไปจัดการกับสายไฟและอุปกรณ์ ให้ได้ตามที่กำหนดในแบบและเวลาตรวจรับงานก็จะใช้แบบนี้ ในการตรวจรับหรืออาจจะมีมากว่านี้ก็ได้ครับ ส่วนเรือประมงพื้นบ้านเราก็ตามสบายเลยครับ มีเครื่องปั่นไฟ AC 220 V ตัวนึงหรือไม่ก็แบตเตอรี่ DC 12-24 V ต่อเข้ากับอินเวิทเตอร์แปลงเป็น AC 220 V เพื่อใช้กับหลอดไฟล่อปลาหมึกหรือปลาอื่นๆที่มาเล่นไฟ บางลำใหญ่หน่อยก็จ่ายเข้ามอร์เตอร์ปั้มน้ำ หรือระบบไฮดลอลิคเพื่อหมุนกว้านเชือกและกว้านสมอเรือ ฯ อันนี้แล้วแต่เลยครับ หาแบบยากมากส่วนใหญ่จะใช้ช่างประจำทำให้ ทุกอย่างอยู่ในหัวคนทำหมดเลย อะไรเสียก็ยังพอทนแต่ถ้ามอณเตอปั้มน้ำหรือ มอร์เตอไฮดรอลิดเสียกลางทะเลนี่ น่ากลัวมากจริงๆครับเพราะนั่นหมายถึงน้ำท้องเรือสูบออกไม่ได้ หรือระบบหางเสือก็พังเหมือนกัน ต้องลอยกลางทะเลรอความช่วยเหลืออย่างเดียวเลย ประมาณนั้นครับ สำหรับเรือที่ใหญ่ขึ้นมาหน่อยเป็นเรือเหล็ก เรือบรรทุกสินค้า เรือยอชน์ ฯลฯ อันนี้ต้องมีแบบแล้วครับแล้วก็ต้องมีช่างไฟฟ้าประจำเรือด้วย